0--------1---------2---------3---------4---------5---------6---------7---------8
Intel 8080 CPU @ 1Mhz 14324 bytes free
Name Last modified Size Description Parent Directory -
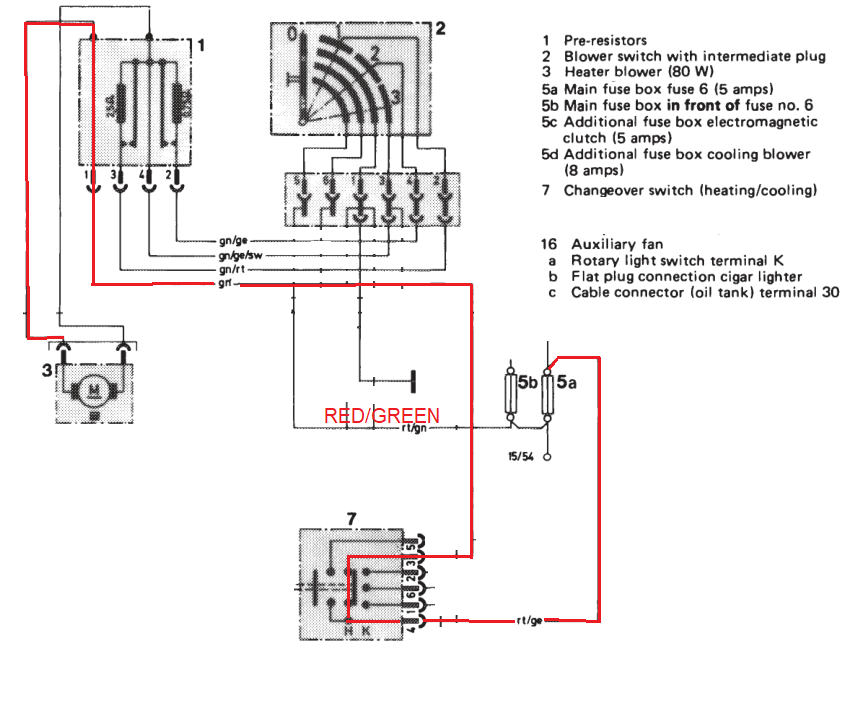
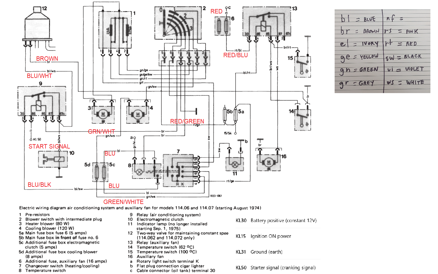
AC-WIRING-W114-280CE..> 2026-02-18 22:47 225K
AC-WIRING-W114-280CE..> 2026-03-08 08:33 696K
d-jet-wiring-1.png 2026-02-17 13:22 2.4M
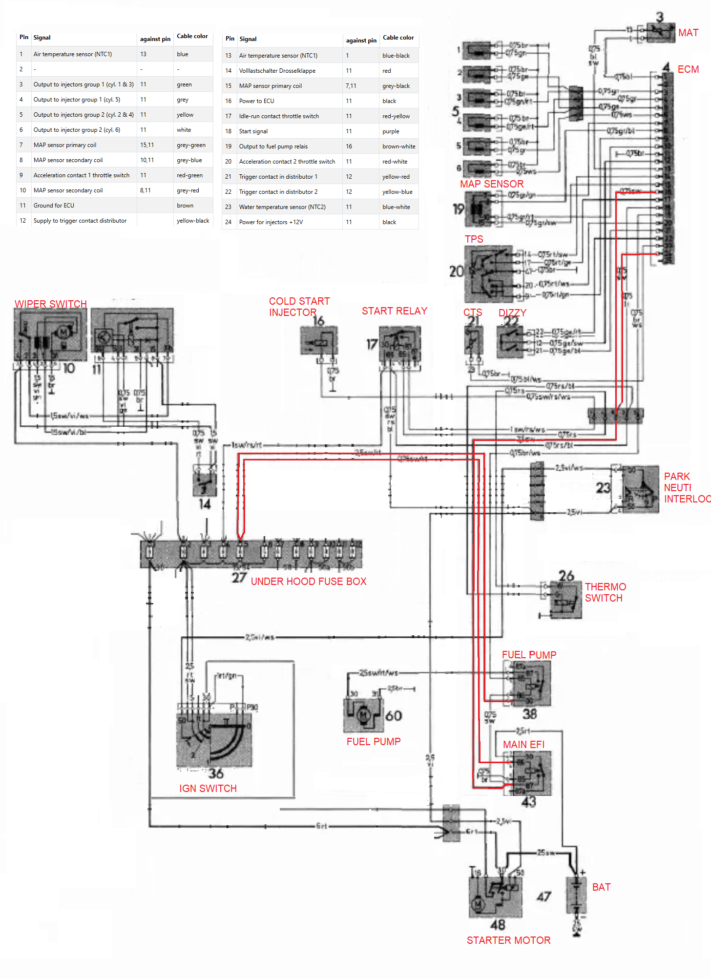
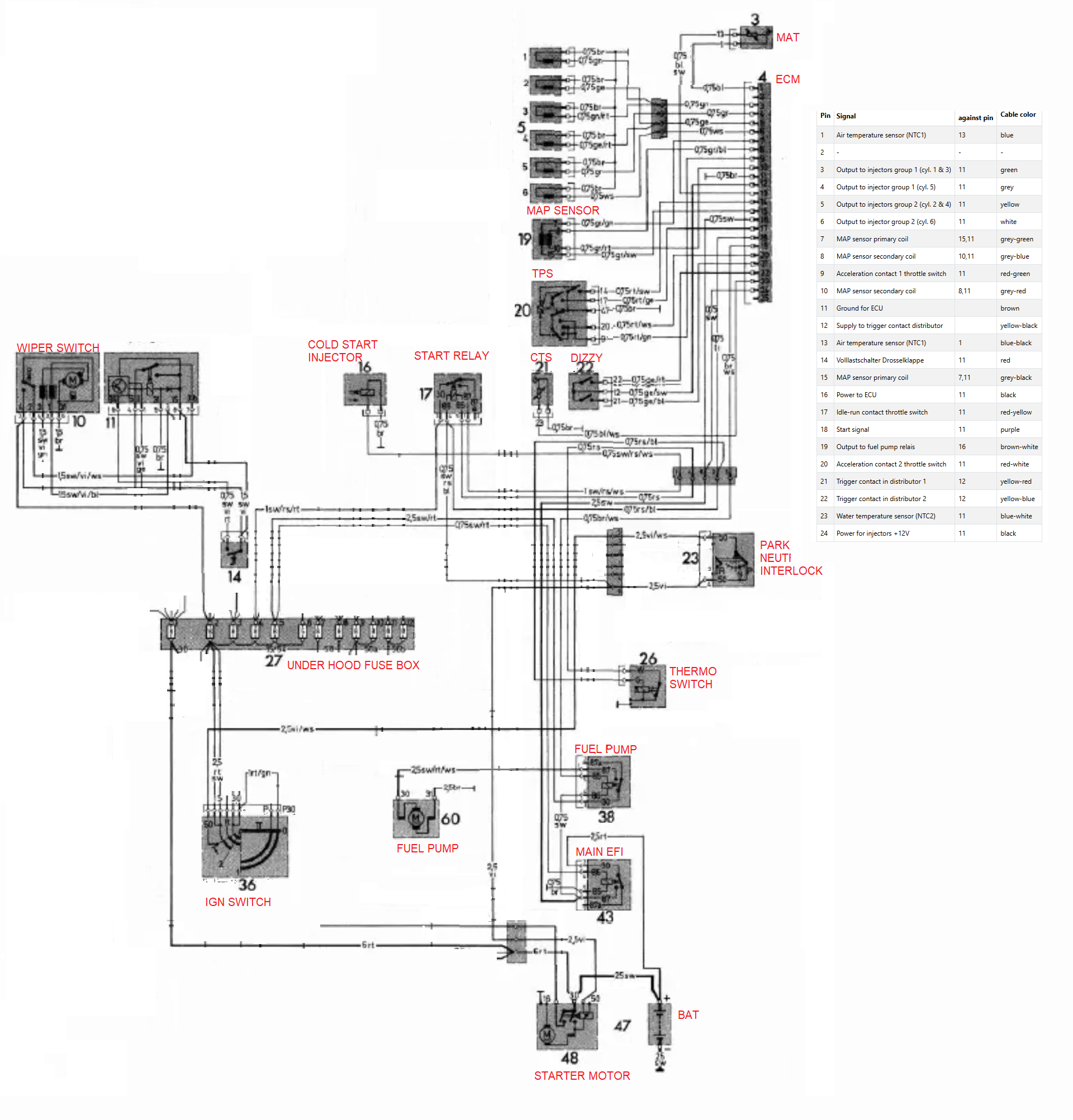
d-jet-wiring-2.png 2026-02-17 13:22 1.3M
d-jet-wiring-3.png 2026-02-17 19:02 898K
d-jet-wiring-4.png 2026-02-17 20:23 864K
DIN72552.png 2026-03-01 12:03 17K
emu-black3.png 2026-04-06 15:11 1.0M
M110-OIL-PUMP-FILTER..> 2026-03-09 13:26 89K
W114-280CE-FUSES.png 2026-02-17 12:31 1.2M
W114-M110-EMU-black-..> 2026-04-18 09:32 1.1M
WIRINGPCOLOUR-CODES.jpg 2026-02-18 22:49 722K
|